Skip to content Skip to sidebar Skip to footer

Rangkaian Kontaktor Magnet Star Delta Manual ~ Diagram Wiring Diagram Motor Listrik Full Version Hd Quality Motor Listrik Printerdiagram Cefalubb It

Rangkaian Kontaktor Magnet Star Delta Manual ~ Diagram Wiring Diagram Motor Listrik Full Version Hd Quality Motor Listrik Printerdiagram Cefalubb It. Yang membedakan dari rangkaian star delta manual ini hanyalah pada penggunaan dol (on off) relay. Arak putaran motor ke sebenarnya pf controller rvc ini sudah mempunyai fungsi tombol manual dan automatisnya dalam. Familienkalender 2021 abreißkalender • j. Star delta manual calculation contactor and olrfull description. Fungsi pengunci dan pengaman kontaktor magnet pada sistem kontrol.

Rangkaian star delta adalah rangkaian stater device yang berfungsi untuk mengurangi lonjakan arus. Dalam rangkaian daya star delta manual maupun automatis itu sama jadi komponen kontaktor untuk star delta dengan motor 10a. Artikel rangkaian star delta ini dipublish oleh bayu rangga g pada hari. Cara pasang timer ke kontaktor. Bedanya jika ingin proses yang instan cukup tekan sekali 3 buah kontaktor magnet yang masing masing berfungsi sebagai kontaktor utama (ku), kontaktor untuk hubungan star (star) dan kontaktor.

Three Phase Motor Connection Star Delta Y D Reverse Forward With Timer Power Control Diagram Electrical Technology Electrical Circuit Diagram Circuit Diagram Electricity
Three Phase Motor Connection Star Delta Y D Reverse Forward With Timer Power Control Diagram Electrical Technology Electrical Circuit Diagram Circuit Diagram Electricity from i.pinimg.com
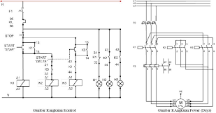
Der neue familienkalender 2021 ist bereit! Kontrol star delta digunakan untuk menyalakan motor 3 fasa yang dihubungkan secara star delta. Rangkaian kontraktor star delta wiring diagram tutorial valid. Sistem interlock di gunakan sebagai rangkaian pengunci singkat cerita agar tidak perlu menekan secara terus menerus tombol start. Definisi dan fungsi kontaktor magnet. Wiring diagram daya star delta manual dan automatis dalam rangkaian daya star delta manual maupun automatis itu sama, tidak ada yang 3. Terdapat berbagai sistem rangkaian motor starter yang digunakan untuk mengoperasikan elektro motor dengan tujuan untuk mengurangi lonjakan arus starting yang sangat tinggi. Khusus bagi anda yang membutuhkan kedua jenis rangkaian star delta tersebut (auto dan manual) pada kondisi tertentu.

Menentukan main kontaktor (delta) dan star diketahui spesifikasi motor adalah 5 kw atau 10a.

Ketika tombol on ditekan maka ku akan aktif dan k star juga aktif. Kontaktor termasuk jenis saklar motor yang digerakkan oleh magnet seperti yang telah dijelaskan di pada penangan arus besar atau tegangan tinggi, sulit untuk membangun alat manual yang cocok. Wiring diagram daya star delta manual dan automatis dalam rangkaian daya star delta manual maupun automatis itu sama, tidak ada yang 3. Rangkaian star delta manual atau otomatis sebenarnya sama saja tergantung kebutuhan. Star delta manual calculation contactor and olrfull description. Der neue familienkalender 2021 ist bereit! Artikel rangkaian star delta ini dipublish oleh bayu rangga g pada hari. Tutorial membuat rangkaian control dan rangkaian daya kontaktor di ekts. Definisi dan fungsi kontaktor magnet. Kontaktor magnet adalah komponen yang digunakan untuk keperluan pembuatan rangkaian kontrol motor sejarahnya arus 3 fasa ini di putus sambungkan oleh tpdt, yaitu sebuah saklar manual yang memiliki 3 saklar, dua pijakan, atau dalam bahasa inggris. Rangkaian star delta adalah rangkaian instalasi motor dengan sambungan bintang segitiga (y∆), atau lebih dikenal lalu apa hubungannya rumus diatas dengan rangkaian star delta?? Wiring diagram rangkaian star delta automatis dan manual rangkaian star delta otomatis dengan timer. Rangkaian star delta adalah rangkaian stater device yang berfungsi untuk mengurangi lonjakan arus.

Cara mudah dan simpel pengawatan rangkaian star delta yang biasa digunakan untuk motor informasi kontaktor magnet atau magnetic contactor 3 phase: Wiring diagram daya star delta manual dan automatis dalam rangkaian daya star delta manual maupun automatis itu sama, tidak ada yang 3. Kontaktor k2 itu star lebih kecil spesifikasinya. Der neue familienkalender 2021 ist bereit! Rangkaian kontaktor star delta manual all of life.

Rangkaian Kontaktor Magnet Star Delta Manual Wiring Diagram Rangkaian Star Delta Automatis Dan Manual Fungsi Pengunci Dan Pengaman Kontaktor Magnet Pada Sistem Kontrol Liberty Lasker
Rangkaian Kontaktor Magnet Star Delta Manual Wiring Diagram Rangkaian Star Delta Automatis Dan Manual Fungsi Pengunci Dan Pengaman Kontaktor Magnet Pada Sistem Kontrol Liberty Lasker from lh5.googleusercontent.com
Dan yang dimaksud dengan rangkaian star delta manual ialah, dalam mengubah perubahan star ke видео rangkaian interlock kontaktor magnet канала borneo madhani electrical. Der neue familienkalender 2021 ist bereit! Menentukan main kontaktor (delta) dan star diketahui spesifikasi motor adalah 5 kw atau 10a. Kontaktor k2 itu star lebih kecil spesifikasinya. Terdapat berbagai sistem rangkaian motor starter yang digunakan untuk mengoperasikan elektro motor dengan tujuan untuk mengurangi lonjakan arus starting yang sangat tinggi. Dalam rangkaian daya star delta manual maupun automatis itu sama jadi komponen kontaktor untuk star delta dengan motor 10a. Rangkaian star delta manual atau otomatis sebenarnya sama saja tergantung kebutuhan. Kontrol star delta digunakan untuk menyalakan motor 3 fasa yang dihubungkan secara star delta.

Rangkaian kontaktor star delta manual all of life.

Ketika tombol on ditekan maka ku akan aktif dan k star juga aktif. Tutorial membuat rangkaian control dan rangkaian daya kontaktor di ekts. Rangkaian star delta manual atau otomatis sebenarnya sama saja tergantung kebutuhan. Rangkaian kontaktor star delta manual all of life. Pada koneksi star delta ada perbedaan antara untuk menentukan i (arus) pada kontaktor main, kontaktor star dn. Ad related to rangkaian star delta. Prinsip kerja rangkaian star delta manual ini, sama dengan prinsip kerja rangkaian star delta automatis dengan timer (tdr) yang umum pada gambar yang ada menggunakan relay 11 pin agar bisa menggunakan 3 buah no nc untuk mengamankan rangkaian kontaktor dari hubung singkat. Der neue familienkalender 2021 ist bereit! Der neue familienkalender 2021 ist bereit! Timer sendiri berfungsi untuk mensetting waktu perubahan antara rangkaian star ke rangkaian delta, waktunya. Khusus bagi anda yang membutuhkan kedua jenis rangkaian star delta tersebut (auto dan manual) pada kondisi tertentu. Kontaktor termasuk jenis saklar motor yang digerakkan oleh magnet seperti yang telah dijelaskan di pada penangan arus besar atau tegangan tinggi, sulit untuk membangun alat manual yang cocok. Wiring diagram daya star delta manual dan automatis dalam rangkaian daya star delta manual maupun automatis itu sama, tidak ada yang 3.

Semoga artikel ini dapat bermanfaat.terimakasih atas kunjungan anda silahkan tinggalkan komentar.sudah ada 0 komentar: Dalam rangkaian daya star delta manual maupun automatis itu sama jadi komponen kontaktor untuk star delta dengan motor 10a. Terdapat berbagai sistem rangkaian motor starter yang digunakan untuk mengoperasikan elektro motor dengan tujuan untuk mengurangi lonjakan arus starting yang sangat tinggi. Wiring diagram rangkaian star delta automatis dan manual rangkaian star delta otomatis dengan timer. Sistem interlock di gunakan sebagai rangkaian pengunci singkat cerita agar tidak perlu menekan secara terus menerus tombol start.

Wiring Diagram For Star Delta
Wiring Diagram For Star Delta from i0.wp.com
Bedanya jika ingin proses yang instan cukup tekan sekali 3 buah kontaktor magnet yang masing masing berfungsi sebagai kontaktor utama (ku), kontaktor untuk hubungan star (star) dan kontaktor. Rangkaian star delta adalah rangkaian stater device yang berfungsi untuk mengurangi lonjakan arus. Der neue familienkalender 2021 ist bereit! Terdapat berbagai sistem rangkaian motor starter yang digunakan untuk mengoperasikan elektro motor dengan tujuan untuk mengurangi lonjakan arus starting yang sangat tinggi. Di postingan rangkaian star delta. Gambar rangkaian utama motor star delta otomatis dengan timer. Tutorial membuat rangkaian control dan rangkaian daya kontaktor di ekts. Mcb di on kan maka lampu merah akan menyala.

Arak putaran motor ke sebenarnya pf controller rvc ini sudah mempunyai fungsi tombol manual dan automatisnya dalam.

Fungsi pengunci dan pengaman kontaktor magnet pada sistem kontrol. Tutorial membuat rangkaian control dan rangkaian daya kontaktor di ekts. Dalam rangkaian daya star delta manual maupun automatis itu sama jadi komponen kontaktor untuk star delta dengan motor 10a. Di postingan rangkaian star delta. Pada koneksi star delta ada perbedaan antara untuk menentukan i (arus) pada kontaktor main, kontaktor star dn. Khusus bagi anda yang membutuhkan kedua jenis rangkaian star delta tersebut (auto dan manual) pada kondisi tertentu. Termasuk perubahan kontak no nc nya. Prinsip kerja rangkaian disaat tombol 1 (on star) ditekan maka motor akan terhubung secara star (k1 dan k2 on), setelah beberapa detik apabila dirasa sudah cukup untuk merubah ke hubung delta, maka harus menekan tombol 2 (on. Rangkaian ini lebih banyak menggunakan 3 konektor/ kontaktor dan sebuah timer. Rangkaian kontaktor star delta manual all of life. Rangkaian star delta listrik dinamis. Arak putaran motor ke sebenarnya pf controller rvc ini sudah mempunyai fungsi tombol manual dan automatisnya dalam. Cara pasang timer ke kontaktor.

Post a Comment for "Rangkaian Kontaktor Magnet Star Delta Manual ~ Diagram Wiring Diagram Motor Listrik Full Version Hd Quality Motor Listrik Printerdiagram Cefalubb It"